सौर पैनल सभी काले

सौर पैनल सभी काले

SFM 170- वाट मोनो-क्रिस्टलीय पीवी सौर पैनल उच्च मॉड्यूल रूपांतरण दक्षता, दीर्घकालिक आउटपुट स्थिरता और विश्वसनीयता के लिए गुणवत्ता सिलिकॉन सामग्री से बने उच्च दक्षता वाले सौर कोशिकाओं का उपयोग करता है। वस्तुतः रखरखाव मुक्त। उच्च संप्रेषण, स्थायित्व और बढ़ाया प्रभाव प्रतिरोध के लिए कम लोहे का टेम्पर्ड ग्लास।

उत्पाद वर्णन

 

SFM 170- वाट मोनो-क्रिस्टलीय पीवी सौर पैनल उच्च मॉड्यूल रूपांतरण दक्षता, दीर्घकालिक आउटपुट स्थिरता और विश्वसनीयता के लिए गुणवत्ता सिलिकॉन सामग्री से बने उच्च दक्षता वाले सौर कोशिकाओं का उपयोग करता है। वस्तुतः रखरखाव मुक्त। उच्च संप्रेषण, स्थायित्व और बढ़ाया प्रभाव प्रतिरोध के लिए कम लोहे का टेम्पर्ड ग्लास।

आयातित और घरेलू सामग्री के साथ बनाया गया

काली बैक शीट के साथ काला फ्रेम

सकारात्मक शक्ति सहिष्णुता (0 से +3%)

50 पाउंड तक के लिए मजबूत यांत्रिक शक्ति के साथ अद्वितीय फ्रेम डिजाइन। पवन लोड और बर्फ लोड समझना और आसान स्थापना

उच्च तापमान और कमजोर प्रकाश वातावरण के तहत बकाया विद्युत प्रदर्शन

बाईपास डायोड श्रृंखला के तार में छायांकन प्रभाव को कम करते हैं

 

पैरामीटर

 

विद्युत विशेषताओं (एसटीसी*)
मॉडल संख्या (एसएफएम)

150W

155W

160W

165W

170W

175W

180W

STC पर अधिकतम शक्ति (PMAX)

150W

155W

160W

165W

170W

175W

180W

अधिकतम शक्ति वोल्टेज

18.02

18.10

18.20

18.41

18.56

18.78

19.01

अधिकतम शक्ति वर्तमान

8.33

8.56

8.80

8.96

9.15

9.35

9.47

ओपन सर्किट वोल्टेज

21.62

21.72

21.84

22.09

22.27

22.54

22.62

शॉर्ट सर्किट करंट (ISC)

9.07

9.33

9.58

9.77

9.94

10.16

10.32

अधिकतम तंत्र वोल्टेज

1000V डीसी (IEC)

अधिकतम श्रृंखला फ्यूज रेटिंग (ए)

15A

शक्ति सहिष्णुता

0-+3%

नोक

45 ± 2 डिग्री

पीएमएक्स तापमान गुणांक

-0। 46%\/ डिग्री

VOC तापमान गुणांक

-0। 346%\/ डिग्री

ISC तापमान गुणांक

0। 065%\/ डिग्री

परिचालन तापमान

-40 से +85 डिग्री तक
*एसटीसी (मानक परीक्षण स्थिति): विकिरण 1000W\/㎡, मॉड्यूल तापमान 25 डिग्री, AM1.5
कक्षा में सर्वश्रेष्ठ एएए सौर सिम्युलेटर (IEC 60904-9) का उपयोग किया जाता है, जिसमें ± 3% के भीतर पावर माप अनिश्चितता के साथ

 

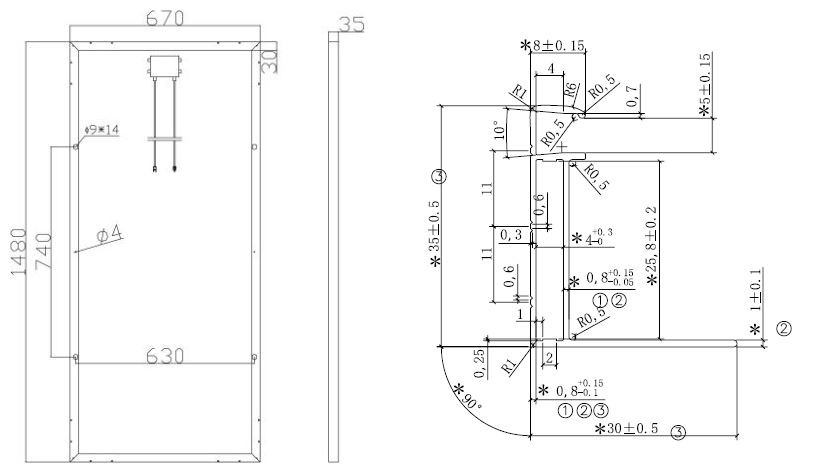
अभियांत्रिकी चित्र

 

1

 

यांत्रिक विशेषताएं

सौर कोशिकाएं

36 (4 × 9) मोनो-क्रिस्टलीय सिलिकॉन सौर कोशिकाएं 156 × 156 मिमी

फ्रंट ग्लास

3.2 मिमी (0। 13in) हाई-ट्रांसमिशन टेम्पर्ड ग्लास

Encapsulate

ईवा (एथिलीन-विनाइल एसीटेट)

चौखटा

डबल-लेयर एनोडाइज्ड एल्यूमीनियम मिश्र धातु

जंक्शन बॉक्स

IP67 रेटेड, सेवा योग्य बाईपास डायोड के साथ

केबल

यूवी प्रतिरोधी सौर केबल (वैकल्पिक)

कनेक्टर्स

MC4 संगत कनेक्टर (वैकल्पिक)

आयाम (L × W × H)

1480 × 670 × 35 मिमी

वज़न

12 किलो

Max.load

पवन भार: 2400pa\/बर्फ लोड: 5400pa

 

पैकिंग कॉन्फ़िगरेशन

पैकिंग मात्रा

2pcs\/कार्टन

मात्रा\/फूस

50pcs\/पैलेट

लोडिंग क्षमता

569pcs\/20ft, 1180pcs\/40ft

 

विशेषता

 

एंटी-रिफ्लेक्शन ग्लास ऊर्जा अवशोषण को बढ़ाने में मदद करता है, जबकि ऊपरी और निचले चांदी के कनेक्शन को काले टैब द्वारा बदल दिया गया है, टेप या काले टेडलर की एक अतिरिक्त परत के बजाय, दक्षता हानि को कम करने के लिए सफेद बैक शीट के बराबर और कम टुकड़े टुकड़े मोटाई के कारण सेल माइक्रो दरार के जोखिम को कम करता है।

यहां तक ​​कि उच्च तापमान पर, सौर सेल पारंपरिक क्रिस्टलीय सिलिकॉन सौर सेल की तुलना में उच्च दक्षता बनाए रख सकता है। यह "ऑल-ब्लैक" मॉड्यूल के लिए विशेष रूप से प्रासंगिक है, जहां गर्मी अवशोषण अधिक है। सूफू गर्मियों में सबसे अधिक बिजली उत्पन्न होने पर सर्वश्रेष्ठ-इन-क्लास प्रदर्शन प्रदान करता है। यह विशेष रूप से गर्म जलवायु में प्रासंगिक है। कई अलग -अलग अनुप्रयोगों के लिए उपयोग किया जा सकता है, यहां तक ​​कि काम शेड, गैरेज, या शिविर आवासीय और वाणिज्यिक छत प्रणालियों के लिए आदर्श हैं

ग्राउंड माउंट संगत

ऑन-ग्रिड और ऑफ-ग्रिड इनवर्टर के साथ संगत

आवासीय और वाणिज्यिक अनुप्रयोगों के लिए काले सौर पैनल जहां एक नेत्रहीन मनभावन सौर पैनल और अधिकतम दक्षता सर्वोपरि है।

 

हमारे बारे में

 

Qinhuangdao Sufu इलेक्ट्रॉनिक कं, लिमिटेड एक आधुनिक सौर मॉड्यूल, सौर प्रणाली समाधान और सेवा आपूर्तिकर्ता है। हमारे सौर उत्पादों में सौर मॉड्यूल से लेकर सोलर पावर सिस्टम, सोलर स्ट्रीट लाइट्स, सोलर मल्टीफंक्शनल चार्जर्स, सोलर पंप और फोटो-वोल्टिक पावर स्टेशनों, संलग्न फोटो-वोल्टिक (BAPV) का निर्माण, एकीकृत फोटो-वोल्टिक (BIPV) डिजाइन और निर्माण का निर्माण होता है।

30, 000} की कार्यशालाओं को कवर करते हुए, पहला चरण निवेश 20 मिलियन आरएमबी है, जिसमें मोनो और पॉली सौर पैनलों दोनों के लिए 20MW की हमारी वार्षिक उत्पादन क्षमता है।

SUFU विश्व विश्वसनीय और नवीकरणीय उत्पादों की पेशकश कर रहा है जो TUV, CE, IEC और ISO9001, आदि के साथ अंतरराष्ट्रीय स्तर पर प्रमाणित हैं।

यह उत्पाद ऑस्ट्रेलिया, भारत, जापान, कोरिया, दक्षिण अमेरिका, मध्य पूर्व, दक्षिण पूर्व एशिया, अफ्रीका और अन्य देशों सहित ग्राहकों की एक विस्तृत श्रृंखला पर लागू होता है।

 

प्रमाणपत्र

 

4

 

हमें क्यों चुनें?

 

1। 10 वर्षों में सौर पैनल और सिस्टम के लिए पेशेवर के साथ हमारा अपना कारखाना है।

2। हमारे पास एक मजबूत आर एंड डी टीम है।

3। अपने आदेश के लिए OEM सेवा की पेशकश।

4। 12 घंटे के भीतर उत्तर दें।

5। प्रतिस्पर्धी मूल्य, अच्छी बिक्री सेवा की पेशकश।

 

उपवास

 

प्रश्न: आप SUFU क्यों चुनते हैं?

A: क्योंकि हम 11 से अधिक वर्षों के लिए सौर सामान के पेशेवर निर्माता हैं। हमारे पास उत्कृष्ट कच्चे आपूर्तिकर्ता और मजबूत इंजीनियरिंग टीम है।

 

प्रश्न: डिलीवर समय क्या है?

A: आदेश के बाद 15 दिनों के भीतर पूर्व भुगतान द्वारा पुष्टि की गई।

 

प्रश्न: आपकी वारंटी शब्द क्या है?

A: हम विभिन्न घटकों के लिए अलग -अलग वारंटी समय प्रदान करते हैं, कृपया विवरण के लिए हमसे संपर्क करें।

 

प्रश्न: आपके गुणवत्ता नियंत्रण प्रणाली के बारे में कैसे?

A: गुणवत्ता प्राथमिकता है। हम हमेशा उत्पादन के अंत तक गुणवत्ता नियंत्रण के लिए बहुत महत्व देते हैं। पैकिंग और शिपिंग से पहले हर उत्पाद को पूर्ण इकट्ठा किया जाएगा और सावधानीपूर्वक परीक्षण किया जाएगा।

 

लोकप्रिय टैग: सौर पैनल सभी काले, आपूर्तिकर्ताओं, निर्माताओं, कारखाने, अनुकूलित, थोक, खरीद, मूल्य, सर्वश्रेष्ठ, बिक्री के लिए

जांच भेजें